г. Москва, БЦ Вятский, ул. Вятская д.70, офис 715
Войти
Официальный дилер Komfovent
8 800 775-08-79
8 800 775-08-79
г. Москва, БЦ Вятский, ул. Вятская д.70, офис 715
Пн-Пт: 9:30-18:00 Cб-Вс: Выходной
Заказать звонок

Komfovent RHP-1300-8.1/6.6-U

Приточно-вытяжная установка с рекуператором и тепловым насосом Komfovent RHP-1300-8.1/6.6-U
Komfovent RHP-1300-8.1/6.6-U
Уточнить цену
Komfovent RHP-1300-8.1/6.6-U
Уточнить цену
В сравнение
В сравнении
Артикул: 144955
Уточнить цену
[Архивная модель] Вентиляционная установка с роторным теплоутилизатором и тепловым насосом для небольших помещений
Тип
Приточно-вытяжная установка с рекуператором и тепловым насосом
Маркировка
RHP-1300-8.1/6.6-U
Серия
RHP Standart
Гарантия
2 года
Все характеристики
Способы оплаты
Доставка

Komfovent RHP-1300-8.1/6.6-U - это вентиляционное оборудование с ротационным теплообменником и интегрированным тепловым насосом. Серия RHP Standard имеет производительность от 150 м3/час до 1500 м3/час.

Тепловой насос, интегрированный в установках RHP, расширяет восприятие и возможности вентиляционной установки – она не только вентилирует, но и весьма эффективно обогревает, а также охлаждает помещения. Реализация и усовершенствование сложных конструктивных решений позволили не только расширить назначение вентиляционной установки, но и достичь очень высокой температурной эффективности (до 140%) благодаря двойному возврату тепла через ротационный теплоутилизатор и тепловой насос.

Преимущества вентиляционных установок RHP:

  • Зимой – режим обогрева.

Ротационный теплоутилизатор не только подогревает приточный воздух, используя энергию удаляемого воздуха, но и частично регенерирует влагу, а также увлажняет свежий приточный воздух.

  • Летом – режим охлаждения.

Роторный теплоутилизатор экономит прохладу и удаляет излишнюю влагу. Тепловой насос зимой действует в качестве второй ступени рекуперации, забирая всю остаточную энергию из вытяжного воздуха, а летом действует как кондиционер – охлаждает приточный воздух до нужной температуры.

  • Оптимальная работа.

Для обеспечения комфортной среды в помещении необходимо контролировать множество параметров: температуру, влажность, чистоту и концентрацию CO2. Обычно этого можно достичь при помощи нескольких независимых систем – обогрева, кондиционирования, вентиляции, увлажнения и очищения воздуха. У данного решения есть недостатки: высокая начальная инвестиция, сложная и дорогая эксплуатация, а также более высокая вероятность неисправностей и неправильных настроек. Установка KOMFOVENT RHP выполняет все функции поддержания микроклимата в помещении „5 в 1“ – не только экономно вентилирует помещение, но и подает с улицы свежий и очищенный воздух, при необходимости нагревает его, когда нужно – охлаждает, а также контролирует влажность – летом удаляет избыточную влагу, а зимой, когда воздух бывает слишком сухим, увлажняет его. Все эти процессы контролирует интеллектуальная автоматика, поэтому установка работает особенно экономно и требует минимального внимания.

  • Здоровый микроклимат.

При использовании охлаждающего режима в установках RHP вместо обычного кондиционера воздуха, следует обратить внимание на погодные условия. RHP идеально подходит для климата средней полосы. RHP сохраняет здоровую среду (воздух не высушивается, не используется повторно, не циркулирует “по кругу”, а подается снаружи и проходит дополнительную фильтрацию). Эффективные воздушные фильтры удаляют из приточного воздуха пыль, мелкие частицы и микроорганизмы, поэтому в доме всегда будет свежий и чистый воздух. Благодаря специфическому действию системы RHP в летний сезон влажность снижается, а в зимний поддерживается. Все это обеспечивает высший уровень комфорта и здоровую среду при низких эксплуатационных расходах.

  • “Включай и пользуйся”.

RHP – это одна многофункциональная установка, которая занимает сравнительно мало места, отличается легкой сборкой и монтажом. Простая в управлении и уходе по сравнению с несколькими отдельными, не связанными между собой системами обогрева, охлаждения и вентиляции. Установка полностью готова к эксплуатации – „включай и пользуйся“. Все компоненты смонтированы, налажены и испытаны на заводе.

  • Интеллектуальная автоматика.

Благодаря оригинальной автоматике, RHP помогает снизить расходы на обогрев и электроэнергию – установка отличается очень высокой энергетической эффективностью, что обусловлено не только уникальным инженерным решением, но и “умными” алгоритмами контроллеров, а также широкими возможностями управления и наблюдения (за установками можно следить через интернет, управлять ими при помощи компьютера или смартфона).

Тип
Приточно-вытяжная установка с рекуператором и тепловым насосом
Маркировка
RHP-1300-8.1/6.6-U
Серия
RHP Standart
Гарантия
2 года
Родина бренда
Литва
Оптимально для
для дома, для офиса
Особенность
интегрированный тепловой насос
Тип вентиляционной установки
компактная приточно-вытяжная
Воздухообмен (макс), куб.м/ч
1200
Электропитание, В/Гц/Ф
380/50/3
Рекуператор
Есть
Автоматика
C5
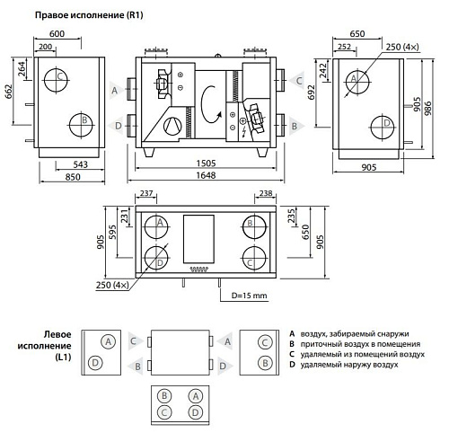
Размеры, мм
1648x905x986
Вес, кг
260
Вес в упаковке, кг
286
Способ установки
Вертикально / Горизонтально
Воздуховод
круглый
Диаметр, мм
4
Мощность двигателя вентилятора, кВт
0.273
Мощность электрического нагревателя, кВт
4.3
Минимальный уровень шума, дБ
57
Максимальный уровень шума, дБ
65
Пульт ДУ
Есть
Тип хладагента
R134A
Komfovent RHP-1300-8.1/6.6-U